Vara HPZTD - fxx attributessuply getu og viðbótarupplýsingakerfi og afhending
Lýsing
Vörueiginleikar
Líkan nr.: HPZTD - fxx Vörumerki: Loftvirkni Tíðni: Hátíðni Uppbygging: Terminal Undir aukagjald: Plastcircuit: 1-400Impedance: 85-100 OhmsMated Hæð: Önnur Gerð: Önnur notkunar: Militar Ál
Framboðsgetu og viðbótarupplýsingar
Umbúðir: Pokapökkun, pökkun á rörum, spóla pökkunafræðni: 10000K/Month Transportation: Ocean, Airplace Of Of Of Orplace: Chinasupply Geta: 100000K/Monthercertificat
Umbúðir og afhending
Selja einingar:
Poki/pokar
Pakkategund:
pokapökkun, rör pökkun, spóla pökkun
Shenzhen Antenk Electronics Co., Ltd.
Vörur fyrirtækisins innihalda aðallega borð til borðstengis, vír til að fara um borð tengi, vír til línutengi, I / O tengi, flugstöðvum, flugstöðvaseríu, rafhlöðutengi, FPC tengi, Modular Jack, IDC, Network Socket, svo og ýmsar innri vélarlínur og tölvu jaðarlínu og aðrar röð af vörum.
Hágæða, samkeppnishæf verð, hratt afhending, fljótt svar. UL, Rohs, náði framhjá.
Slagorð Enterprise: Hópur fólks, eitt hjarta, vinnur saman, mun vinna
Fyrirtæki verkefni: Að tengja heiminn og tengja framtíðina
Fyrirtækjasýn: verða fyrsta vörumerkið frægra tengi
Gildi: kostgæfni, þakklæti og heiðarleiki
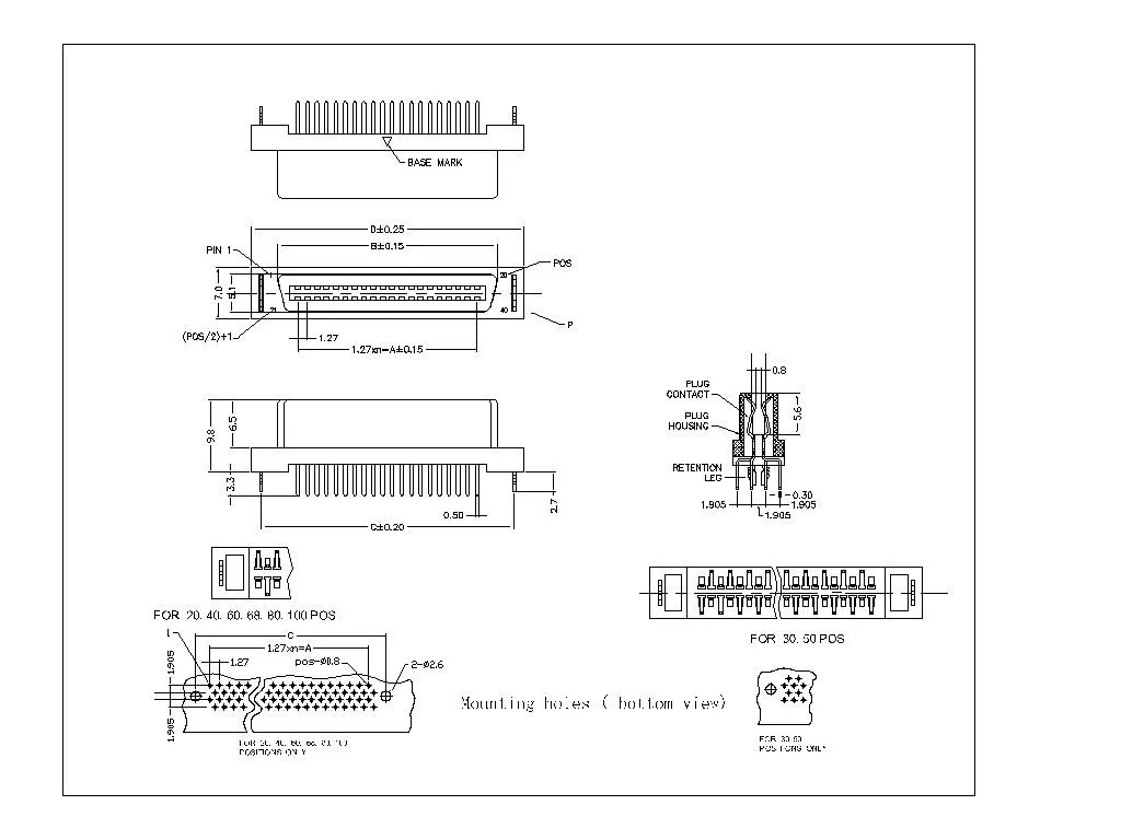
Vöruflokkur: SCSI Connectors Series
Vöruheiti: HPZTR - MXX
1.27mm röð ílát beint plasttegund
Forskriftir:
1. Rafmagnseinkenni:
1.1 Snertisvextir: 1AMP
1.2 Einangrun: 500mΩ lágmark
1.3 Snertiviðnám: 35mΩ hámark
1.4 Rafspenna: 500V AC í eina mínútu
2. Efni:
2.1 Einangrunarefni: LCP +30%g/f, litur: svartur
2.2 Tengiliður: Fosfór brons
3. Umhverfi:
Rekstrarhitastig: -40 gráðu til +105 gráðu

Algengar spurningar
Sp .: Geturðu gert okkar eigin umbúðir?
A: Já, þú veitir bara pakkahönnun og við munum framleiða það sem þú vilt. Við höfum líka faghönnuðinn getur hjálpað þér að gera umbúðahönnun.
Sp .: Hversu margar mismunandi tegundir af vörum sem fyrirtæki þitt framleiðir?
A: Nú erum við með meira en 1.000 vörur. Við höfum sterkan kost á OEM, gefðu okkur bara raunverulegar vörur eða hugmynd þína sem þú vilt, við munum framleiða fyrir þig.
Sp .: Hvenær get ég fengið verðið?
A: Venjulega vitnum við í innan 8 klukkustunda eftir að við fáum fyrirspurn þína.
Sp .: Hvað er MoQ þinn?
A: Ef við erum með vörurnar á lager verður það ekki MoQ. Ef við þurfum að framleiða getum við rætt MoQ eftir nákvæmum aðstæðum viðskiptavinarins.
Sp .: Hve lengi er afhendingartími þinn?
A: Almennt afhendingartími er 30-45 dögum eftir að þú hefur fengið staðfestingu pöntunarinnar. Anther, ef við erum með vörurnar á lager, mun það aðeins taka 1-2 daga.
maq per Qat: 1.27mm röð ílát Beint Full plasttegund, Kína 1.27mm röð ílát Beint Fullt plastgerð framleiðendur, birgjar, verksmiðja

